Tutte le nostre raccomandazioni relative alla sicurezza possono essere trovate a pagina 2 del manuale di istruzioni.
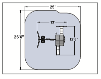
Sulla prima pagina del manuale di istruzioni è possibile trovare lo schema che mostra le dimensioni del set da gioco oltre all'area di sicurezza raccomandata.
Ex:
Commenti
0 commenti
Questo articolo è chiuso ai commenti.